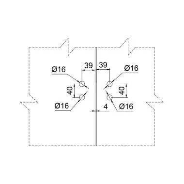
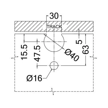
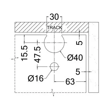
Center Glass Sliding Folding System

Filter iconShow Filters

 
Sign Up for Offers
WhatsApp